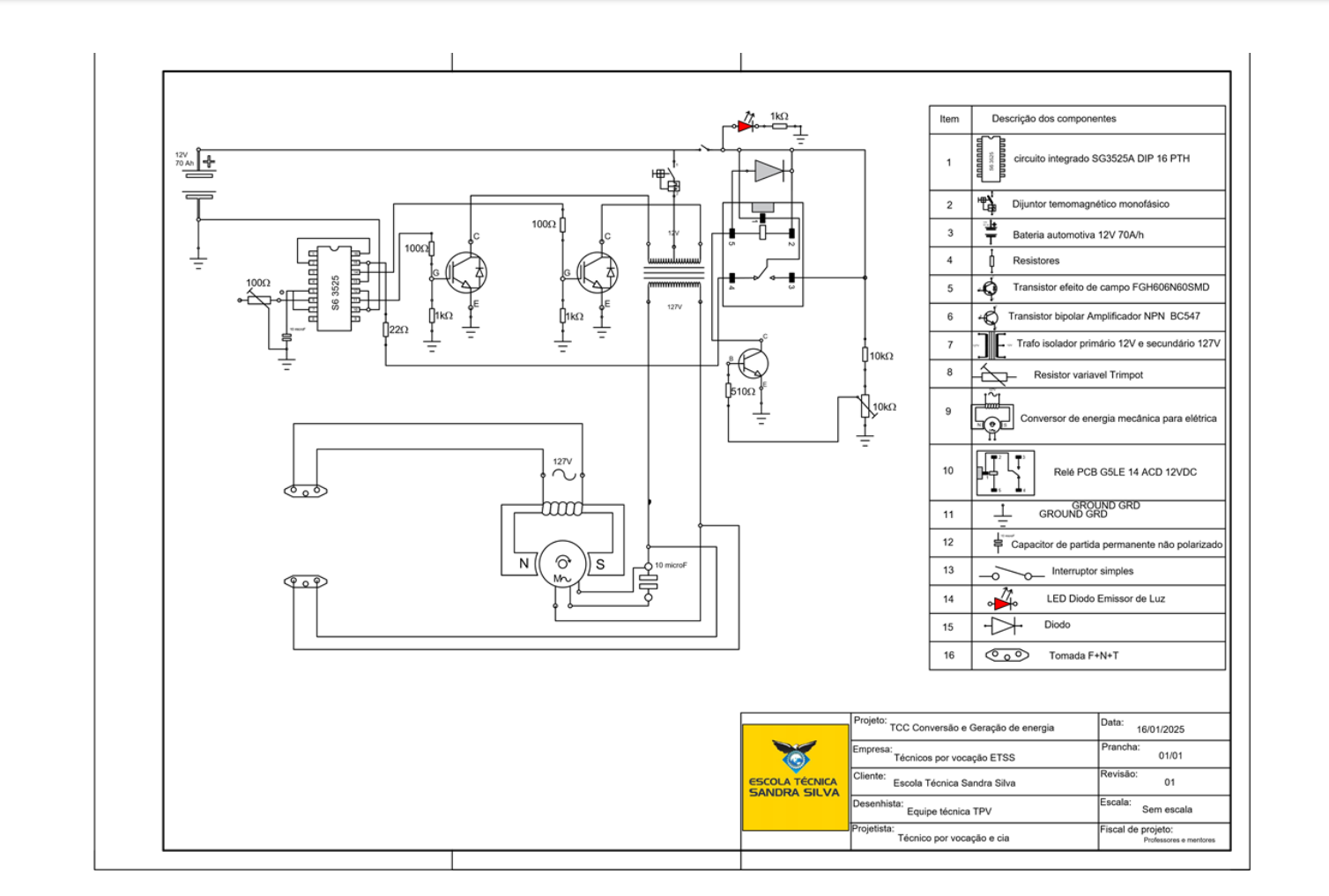
Slide de Componentes do Tcc
Bateria Estacionária 70Ah
Circuito Integrado
Transistor
Capacitor
Motor
Eixo Adaptado com Imãs
Resistor
Dissipador
Djuntor
Medidor
Tomada